Product Summary
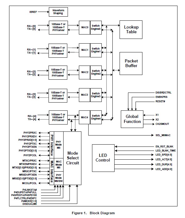
The RTL8305SC is a 5-port Fast Ethernet switch controller that integrates memory, five MACs, and five physical layer transceivers for 10Base-T and 100Base-TX operation into a single chip. All ports support 100Base-FX, which shares pins (TX+-/RX+-) with UTP ports and needs no SD+/- pins, a development using Realtek proprietary technology. To compensate for the lack of auto-negotiation in 100Base-FX applications, the RTL8305SC can be forced into 100Base-FX half or full duplex mode, and can enable or disable flow control in fiber mode.
Parametrics
RTL8305SC absolute maximum ratings: (1)Vcc Supply Referenced to GND -0.5 to +4.0 V; (2)Digital Input Voltage -0.5 to VDD; (3)DC Output Voltage -0.5 to VDD.
Features
RTL8305SC features: (1)5-port integrated switch controller with memory and transceiver for 10Base-T and 100Base-TX; (2)Supports the fifth port MAC circuit as PHY mode MII, SNI for router applications, and MAC mode MII for HomePNA or VDSL solutions; (3)Supports the fifth port PHY circuit as PHY mode MII for router and Gateway applications; (4)All ports support 100Base-FX with optional flow control enable/disable and full/half-duplex setting; (5)Supports FEFI function for fiber application; (6)Non-blocking wire-speed reception and transmission and non-head-of-lineblocking forwarding; (7)Fully compliant with IEEE 802.3/802.3u auto-negotiation function.
Diagrams

![]() |
![]() RTL8019 |
![]() Other |
![]() |
![]() Data Sheet |
![]() Negotiable |
|
||||
![]() |
![]() RTL8019AS |
![]() Other |
![]() |
![]() Data Sheet |
![]() Negotiable |
|
||||
![]() |
![]() RTL8019AS-LF |
![]() Other |
![]() |
![]() Data Sheet |
![]() Negotiable |
|
||||
![]() |
![]() RTL8029AS |
![]() Other |
![]() |
![]() Data Sheet |
![]() Negotiable |
|
||||
![]() |
![]() RTL8100B(L) |
![]() Other |
![]() |
![]() Data Sheet |
![]() Negotiable |
|
||||
![]() |
![]() RTL8100C |
![]() Other |
![]() |
![]() Data Sheet |
![]() Negotiable |
|
||||
(China (Mainland))








