Product Summary
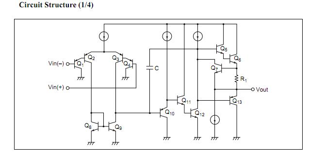
The HA17902P is an internal phase compensation quad operational amplifier that operates on a single-voltage power supply and is appropriate for use in a wide range of general-purpose control equipment.
Parametrics
HA17902P absolute maximum ratings: (1)Power supply voltage, VCC: 28 V; (2)Sink current, Io sink: 50 A; (3)Allowable power dissipation, PT: 625W; (4)Common-mode input voltage, VCM: –0.3 to VCC; (5)Differential-mode input voltage, Vin(diff): ±VCC; (6)Operating temperature, Topr: –20 to +75℃; (7)Storage temperature, Tstg: –55 to +125℃.
Features
HA17902P features: (1)Wide usable power-supply voltage range and single-voltage supply operation; (2)Internal phase compensation; (3)Wide common-mode voltage range and operation for inputs close to the 0 level.
Diagrams

![]() |
![]() HA17008RP |
![]() Other |
![]() |
![]() Data Sheet |
![]() Negotiable |
|
||||
![]() |
![]() HA17080 |
![]() Other |
![]() |
![]() Data Sheet |
![]() Negotiable |
|
||||
![]() |
![]() HA17301P |
![]() Other |
![]() |
![]() Data Sheet |
![]() Negotiable |
|
||||
![]() |
![]() HA17324 |
![]() Other |
![]() |
![]() Data Sheet |
![]() Negotiable |
|
||||
![]() |
![]() HA17324A |
![]() Other |
![]() |
![]() Data Sheet |
![]() Negotiable |
|
||||
![]() |
![]() HA17324AFP |
![]() Other |
![]() |
![]() Data Sheet |
![]() Negotiable |
|
||||
(China (Mainland))








