Product Summary
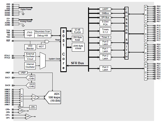
The C8051F015-GQR is a 25 MIPS, 32 kB Flash, 10-Bit ADC, 64-Pin Mixed-Signal MCU. With an on-board VDD monitor, WDT, and clock oscillator, the C8051F015-GQR is truly stand-alone System-on-a-Chip solutions. Each MCU effectively configures and manages the analog and digital peripherals. The FLASH memory can be reprogrammed even in-circuit, providing non-volatile data storage, and also allowing field upgrades of the 8051 firmware. The C8051F015-GQR can also individually shut down any or all of the peripherals to conserve power.
Parametrics
C8051F015-GQR specifications: (1)Analog Supply Voltage: 2.7 to 3.6 V; (2)Analog Supply Current: 0.8 mA; (3)Analog Supply Current with analog sub-systems inactive: 5 μA; (4)Digital Supply Voltage: 2.7 to 3.6 V; (5)Digital Supply Current with CPU active: 12mA; (6)Digital Supply Current(shutdown mode): 2 μA; (7)VDD Data Retention Voltage: 1.5 V; (8)Clock Frequency Range: DC to 25 MHz; (9)Port Output High Voltage: VDD – 0.7 V; (10)Port Output Low Voltage: 0.6 V; (11)Input High Voltage: 0.8 × VDD V; (12)Input Low Voltage: 0.2 × VDD V.
Features
C8051F015-GQR features: (1)10-Bit ADC: ±1 LSB INL; no missing codes; Programmable throughput up to 100 ksps; 8 external inputs; programmable as single-ended or differential; Programmable amplifier gain: 16, 8, 4, 2, 1, 0.5; Data-dependent windowed interrupt generator; Built-in temperature sensor (±3 ℃); (2)Two 12-Bit DACs: Voltage output; 10 μsec settling time; (3)Two Comparators: 16 programmable hysteresis values; Configurable to generate interrupts or reset; (4)Internal Voltage Reference; (5)VDD Monitor/Brown-out Detector.
Diagrams

| Image | Part No | Mfg | Description | ![]() |
Pricing (USD) |
Quantity | ||||||||||||
|---|---|---|---|---|---|---|---|---|---|---|---|---|---|---|---|---|---|---|
![]() |
![]() C8051F015-GQR |
![]() Silicon Labs |
![]() 8-bit Microcontrollers (MCU) 32KB 10ADC 64Pin MCU Tape and Reel |
![]() Data Sheet |
![]()
|
|
||||||||||||
| Image | Part No | Mfg | Description | ![]() |
Pricing (USD) |
Quantity | ||||||||||||
![]() |
![]() C805 |
![]() Chemtronics |
![]() Chemicals HAND GUARD LOTION SF 8 FL OZ LIQUID |
![]() Data Sheet |
![]()
|
|
||||||||||||
![]() |
![]() C8051F000 |
![]() Silicon Labs |
![]() 8-bit Microcontrollers (MCU) 32KB 12ADC |
![]() Data Sheet |
![]() Negotiable |
|
||||||||||||
![]() |
![]() C8051F000-GQ |
![]() Silicon Labs |
![]() 8-bit Microcontrollers (MCU) 32KB 12ADC |
![]() Data Sheet |
![]()
|
|
||||||||||||
![]() |
![]() C8051F000-GQR |
![]() Silicon Labs |
![]() 8-bit Microcontrollers (MCU) 32KB 12ADC 64Pin MCU Tape and Reel |
![]() Data Sheet |
![]()
|
|
||||||||||||
![]() |
![]() C8051F000R |
![]() Silicon Labs |
![]() 8-bit Microcontrollers (MCU) C 12Bit 64Pin |
![]() Data Sheet |
![]() Negotiable |
|
||||||||||||
![]() |
![]() C8051F000TB |
![]() Silicon Labs |
![]() Development Boards & Kits - 8051 USE 634-C8051F005TB |
![]() Data Sheet |
![]() Negotiable |
|
||||||||||||
(China (Mainland))










